                         
當代建築室內設計施工大樣圖庫,提供符合CNS國家製圖標準圖庫,建築技術規則標準圖庫,供建築事務所,室內設計師,建設公司參考使用
國內唯一最完整的施工圖庫 您絕對不能錯過
|
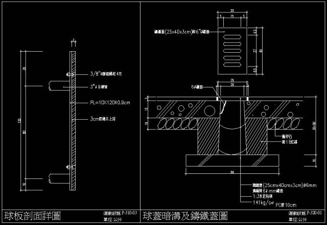
【當代Archi建築室內設計施工圖庫】 運動遊戲設施施工細部圖
當代建築│室內設計│景觀│Autocad圖塊│施工圖標準施工圖
當代建築室內設計施工大樣圖庫,提供符合CNS國家製圖標準圖庫,建築技術規則標準圖庫,供建築事務所,室內設計師,建設公司參考使用
國內唯一最完整的施工圖庫 您絕對不能錯過
圖庫皆為Autocad可以開啟修改之DWG檔案,可以自由運用於任何設計案,耗時精心製作!!
本網頁僅展示部分範例 詳細圖面眾多無法全數列出!!
  
|